

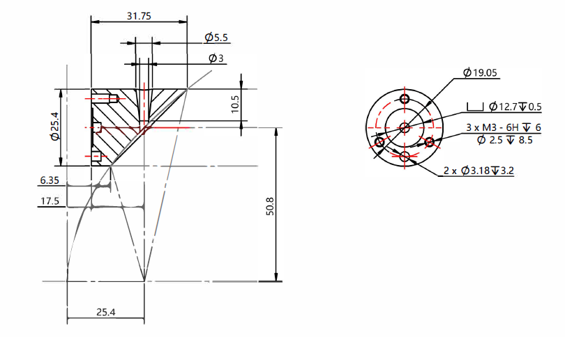
离轴抛物面镜,英文名称为Off Axis Parabolic Mirror的离轴抛物面镜在太赫兹和红外波段具有广泛的应用,简称OAP,尺寸1英寸,焦距2英寸,带平行于聚焦光束的锥形孔,镀保护金。
所属品牌: 维尔克斯光电
负责人:包工
联系电话:13417596712 电子邮箱:cxbao@welloptics.cn
离轴抛物面镜,英文名称为Off Axis Parabolic Mirror的离轴抛物面镜在太赫兹和红外波段具有广泛的应用,简称OAP,尺寸1英寸,焦距2英寸,带平行于聚焦光束的锥形孔,镀保护金。
|
规格表 |
|
|
基底材质 |
铝合金 6061-T6 |
|
重量 |
24g |
|
通光孔径 |
>90% x Φ25.4mm |
|
反射角度 |
90° 土0.02° |
|
反射焦距 |
50.8mm士1% |
|
母焦距 |
25.4mm |
|
面形精度 |
λ/8(RMS) |
|
表面粗糙度 |
<100埃RMS |
|
表面质量 |
80/50 (S/D) |
|
涂层 |
带保护层的金膜(仅光学面) |
|
反射率 |
Ravg>96%@700-2000nm |
|
Ravg>98%@2000-20000nm |
|
|
倒角 |
保护性倒角 |
|
表面处理 |
黑色阳极氧化(除光学面) |
